New Semester
Started
Get
50% OFF
Study Help!
--h --m --s
Claim Now
Question Answers
Textbooks
Find textbooks, questions and answers
Oops, something went wrong!
Change your search query and then try again
S
Books
FREE
Study Help
Expert Questions
Accounting
General Management
Mathematics
Finance
Organizational Behaviour
Law
Physics
Operating System
Management Leadership
Sociology
Programming
Marketing
Database
Computer Network
Economics
Textbooks Solutions
Accounting
Managerial Accounting
Management Leadership
Cost Accounting
Statistics
Business Law
Corporate Finance
Finance
Economics
Auditing
Tutors
Online Tutors
Find a Tutor
Hire a Tutor
Become a Tutor
AI Tutor
AI Study Planner
NEW
Sell Books
Search
Search
Sign In
Register
study help
engineering
electrical engineering
Basic Engineering Circuit Analysis 9th Edition J. David Irwin - Solutions
A typical transistor amplifier is shown in figure. Find the amplifier gain G (i.e., the ratio of the output voltage to the inputvoltage).
Find Vo in the circuit infigure.
Find Io in the network infigure.
Find I1 in the network in figure.
Find Vo in the network infigure.
Find Io in the circuit infigure.
Determine the value of Vo in the network infigure.
Find the power supplied by the 6-V source in the network infigure.
Find the current Is in figure (a) 1/2 A (b) 5/3 A (c) 3/2 A (d) 8/3A
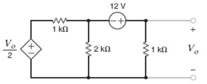
Use nodal analysis to find V0 in the circuit infigure.
Use loop analysis to solve problem 1.
Find V0 in the network in figure using nodalanalysis.
Use loop analysis to find V0 in the network infigure.
Use nodal analysis to find V1 in the circuit in figure.
Use nodal analysis to find V1 in the circuit infigure.
Find I0 in the circuit in figure using nodalanalysis.
Use nodal analysis to find I0 in the network infigure.
Use nodal analysis to find V0 in the circuit infigure.
Find Vo in the network in figure using nodalanalysis.
Use nodal analysis to find Vo in the circuit infigure.
Use nodal analysis to find Vo in the circuit infigure.
Use nodal analysis to find Vo in the network in figure.
Use nodal analysis to find Vo in the circuit infigure.
Find Io in the network in figure using nodalanalysis.
Use nodal analysis to solve for the node voltages in the circuit in figure. Also calculate the power supplied by the 1-A currentsource.
Find the Y parameters for the two-port network shown infigure.
Find Io in the network in figure using nodalanalysis.
Use nodal analysis to find Io in the circuit infigure.
Find Vo in the circuit in figure using nodal analysis.
Find Io in the circuit in figure usinganalysis.
Use nodal analysis to find I0 in the circuit infigure.
Using nodal analysis, find Vo in the network infigure.
Find Vo in the network in figure using nodalanalysis.
Find Vo in the circuit in figure using nodal analysis.
Find Vo in the circuit in figure using nodal analysis.
Use nodal analysis to find Vo in the circuit infigure.
Find Vo in the circuit infigure.
Find Vo in the circuit if figure using nodalanalysis.
Use nodal analysis to find Vo in the circuit infigure.
Use nodal analysis to find Vo in the circuit infigure.
Find Vo in the network infigure.
Find Vo in the circuit in figure using nodal analysis.
Find Vo in the circuit in figure using nodalanalysis.
Find Vo in the circuit infigure.
Determine Vo in the network in figure, using nodalanalysis.
Determine Vo in the network in figure.
Find Io in the circuit infigure.
Use nodal analysis to solve for IA in the network infigure.
Use nodal analysis to find V1, V2, V3 and V4 in the circuitfigure.
Find Io in the circuit in figure.
Find Vo in the network in figure using meshequations.
Find Vo in the network in figure using meshequations?
Find Io in the circuit infigure.
Solve problem using loopanalysis.
Use mesh analysis to find Vo in the network infigure.
Find Io in the circuit in figure using meshanalysis.
Find Vo in the circuit in figure using meshanalysis.
Use mesh analysis to find Vo in the circuit infigure.
Use mesh analysis to find Io in the network infigure.
Use loop analysis to find Vo in the circuit infigure.
Use loop analysis to calculate the power supplied by the 20-V voltage source in the circuit infigure.
Find Io in the network in figure using loop analysis.
Use loop analysis to find Io and I1 in the network infigure.
Find Io in the network in figure using loop analysis. Then solve the problem using MATLAB and compare youranswers.
Use loop analysis to find Vo in the circuit infigure.
Using loop analysis, find Vo in the network infigure.
Find Io in the circuit infigure.
Use loop analysis to find Io in the network infigure.
Use loop analysis to find Io in the network infigure.
Using loop analysis, find Vo in the circuit infigure.
Using loop analysis, find Vo in the network infigure.
Using loop analysis, find Io in the circuit infigure.
Use MATLAB to find the mesh currents in the network infigure.
Use loop analysis to find Vo in the network infigure.
Find Vo in the circuit in figure using nodalanalysis.
Use nodal analysis to find Vo in figure.
Use nodal analysis to find Vo in the network infigure.
Find Io in the network infigure.
Find Vo in the circuit in figure using loop analysis. Then solve the problem using MATLAB and compare your answers.
Find Vo in the network in figure using nodalanalysis.
Find Vo in the circuit in figure using nodalanalysis.
Use mesh analysis to find Vo in the circuit infigure.
Find Vx in the circuit infigure.
Using mesh analysis, find Vo in the circuit infigure.
Find Io in the circuit infigure.
Write mesh equation for the circuit in figure using the assignedcurrents.
Find Vo in the network infigure.
Using loop analysis, find Vo in the circuit infigure.
Solve for the assigned mesh currents in the network infigure.
Using the assigned mesh currents shown in figure solve for the power supplied by the dependent voltagesource.
Using loop analysis, find Vo in the circuit infigure.
Using loop analysis, find Vo in the network infigure.
Using loop analysis, find Vo in the circuit infigure.
Use mesh analysis to determine the power delivered by the independent 3-V source in the network infigure.
Use mesh analysis to find the power delivered by the current-controlled voltage source in the circuit infigure.
Use both nodal and loop analyses to find Vo in the circuit if figure.
Find Io in the network in figure using nodal analysis.
Derive the gain equation for the non ideal non inverting op-amp configuration and show that it reduces to the ideal gain equation if Ri and A are very large, i.e. greater than 106.
Determine the voltage gain of the op-amp circuit shown infigure.
Using the ideal op-amp model show that for the circuit shown in figure, the output voltage is directly related to any small change ?R
Showing 1800 - 1900
of 3459
First
12
13
14
15
16
17
18
19
20
21
22
23
24
25
26
Last
Step by Step Answers